氣動蝶閥

對夾三偏心蝶閥(氣動)
上一個(gè):無

對夾三偏心蝶閥(fá)(氣(qì)動)

上一個(gè):無

產品詳情

技術參數

      壓力範圍:PN10-PN160  CLASS150Lb~1500Lb

      公稱通徑:DN 50~DN3000  NPS2"~120"

      主(zhǔ)體(tǐ)材料:碳鋼、不鏽鋼、雙相不鏽鋼、合金鋼、鎳合金鋼

      連接形式(shì):對夾式

      工作(zuò)溫度:-29℃~350℃

      操作(zuò)方式: 氣動裝置


產品結構特(tè)征

      三偏心蝶閥是將正錐角旋轉(zhuǎn)一個角度改為斜錐角,這樣閥杆與閥體中心偏心減小,開啟力矩也隨之減(jiǎn)小。廣泛用於冶金 、電力、石油化工、以(yǐ)及給排水和市政建(jiàn)設等工業管道上,作(zuò)調節流量和載斷流體使用。


其主要結構特(tè)點有

      1、蝶板與密封(fēng)麵啟閉無摩擦,強製密封;

      2、可以任意位置安裝;

      3、零泄漏(lòu)結構設計;

      4、可(kě)選(xuǎn)擇金屬與非金(jīn)屬,金屬與金屬密封方式;

      5、有單向閥門(mén)和雙向閥(fá)門供(gòng)客戶選擇;

      6、可選擇動負載式填料;

      7、可選(xuǎn)擇(zé)低泄露填料滿足ISO 15848要求;

      8、閥杆(gǎn)可加長設計;

      9、可以按客戶要求設計低溫閥門或超低溫(wēn)閥門。


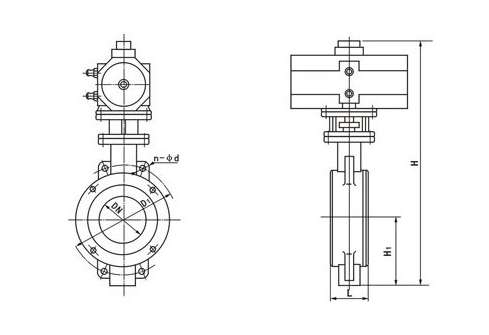
image.png


主要連接(jiē)尺寸

公稱通徑(DN)

主(zhǔ)要尺寸 法(fǎ)蘭尺寸(cùn)和螺(luó)栓(shuān)規格
1.0MPa 1.6MPa 2.5MPa
L H H1 D1 4-ФM D1 4-ФM D1 4-ФM
50 43 350 112 125 Ф18 125 Ф18 125 Ф18
65 46 370 115 145 Ф18 145 Ф18 145 Ф18
80 49 380 120 160 Ф18 160 Ф18 160 Ф18
100 56 420 138 180 Ф18 180 Ф18 190 Ф23
125 64 460 164 210 Ф18 210 Ф18 220 Ф27
150 70 555 175 240 Ф23 240 Ф23 250 Ф27
200 71 605 208 295 M20 295 M20 310 M24
250 76 680 243 350 M20 355 M24 370 M27
300 83 800 283 400 M20 410 M24 430 M27
350 92 835 310 460 M20 470 M24 490 M30
400 102 915 340 515 M24 525 M27 550 M33
450 114 960 380 565 M24 585 M27 600 M33
500 127 1020 410 620 M24 650 M30 660 M33
600 154 1225 470 725 M27 770 M33 770 M36
700 165 1355 550 840 M27 840 M33 875 M39
800 190 1470 640 950 M30 950 M36 990 M45
900 203 1545 710 1050 M30 1050 M36 1090 M45
1000 216 1795 770 1160 M33 1170 M39 1210 M52
1200 254 1965 890 1380 M36 1390 M45 1420 M52


好男人影视-好男人手机视频社区-好男人视频www社区app下载安装-好男人WWW神马社区在线观看